JS型蛇簧联轴器|径向安装型联轴器|罩壳径向安装型联轴器-天硕JS型蛇簧联轴器质量好!
全国服务热线:
0317-8288830400-6888-110
返回首页
走进天硕
天硕产品
新闻资讯
公司业绩
技术资料
企业资质
联系天硕
热门点击:
万向联轴器
|
膜片联轴器
|
高速膜片联轴器
|
鼓形齿式联轴器
|
梅花弹性联轴器
|
膜盘联轴器
|
蛇形弹簧联轴器
|
弹性套柱销联轴器
|
水泵联轴器
|
当前位置:
首页>
产品中心
>
蛇形弹簧联轴器
>
JS型蛇簧联轴器
JS型蛇簧联轴器
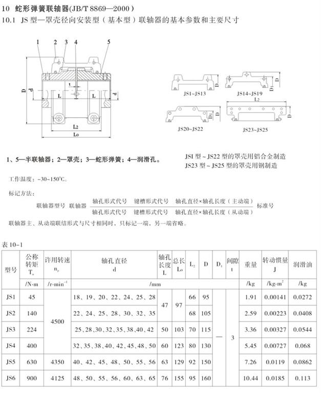
JS型蛇簧联轴器、JS型罩壳径向安装型联轴器外形尺寸,即较大径向和轴向尺寸,要在机器设备允许的安装空间以内。应选择装拆方便、不用维护、维护周期长或维护方便、更换易损件不用移动两轴、对中调整容易的联轴器。
产地:
河北省>泊头市
供应商:
天硕传动(辽宁)有限公司
电话:
0317-8288830
JS型蛇簧联轴器详细内容介绍
产品展示
C型无伸缩短型万向联轴器
TARS系列膜盘联轴器
LXZ(XLL)系列带制动轮星形联轴器
万向联轴器
高速膜片联轴器
膜片联轴器
膜盘联轴器
鼓形齿式联轴器
梅花弹性联轴器
蛇形弹簧联轴器
工业胀紧套
弹性柱销联轴器
水泵联轴器
刚性联轴器
星型弹性联轴器
弹性套柱销联轴器
弹性柱销齿式联轴器
链轮链条联轴器
高弹胶块联轴器
轮胎式联轴器
高速鼓形齿联轴器
碳纤维联轴器
lk高弹性块联轴器
径向弹性柱销联轴器
弹性活销联轴器
编码器|微型联轴器
制动器
液力偶合器
扭矩限制器
联轴器配件
铸件
泵体
铸铁平台
_越离合器
磁力联轴器
卷筒联轴器
同步带轮
皮带轮
齿轮系列
钛合金加工
技术解答
鼓型齿式联轴器加工法
膜片联轴器找正方法介绍
蛇形弹簧联轴器类型介绍
膜片联轴器组成及结构
JZM重型机械用膜片联轴器用途
新闻动态
联轴器 齿式联轴器 鼓形齿联轴器发货通知
万向轴 万向联轴器 十字轴联轴器发货通知单
膜片联轴器 膜片联轴器 高速膜片联轴器发货通知
蛇簧联轴器 蛇形弹簧安全联轴器 弹性蛇簧联轴器发货通知
鼓形齿联轴器 蛇簧联轴器 齿式联轴器 联轴器厂家 联轴器作用 联轴器发货通知
联系方式
销售经理:许静
手机:
15231779605/17320745790
座机:0317-8288830
企业QQ:3003200914
企业简介
|
企业文化
|
应用实例
|
服务承诺
|
联系方式
|
相关链接:
公司名称:天硕传动(辽宁)有限公司 公司地址:辽宁省阜新市彰武县政通街22号 电话:0317-8288830 传真:0418-3680188 网址:
http://www.518lzq.com
天硕传动 2011(C)版权所有 并对网站所有内容保留解释权
冀ICP备10204087号-2
辽公网安备21092202000021 号
PowerBy:速贝·网搜宝 网站建设:中科四方 技术支持:速贝