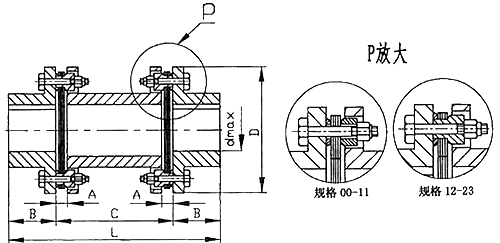
规格 | 公称扭矩N.M | 许用转速rpm | 重量kg | 转动惯量kg.cm^2 | 主 要 尺 寸 mm | 许用补偿量 | |||||||
Dmax | D | A | B | L | C | 轴向 mm | 角向 | 径向mm | |||||
00 | 9.8 | 20000 | 0.23 | 3.0 | 20 | 57 | 4.9 | 20 | 100 | 60 | ±1.6 | 2° | 0.5 |
01 | 33 | 20000 | 1.2 | 8 | 22 | 68 | 6.1 | 26 | 141 | 89 | ±1.6 | 2° | 0.5 |
02 | 90 | 20000 | 1.9 | 24 | 32 | 81 | 6.6 | 26 | 141 | 89 | ±1.6 | 2° | 0.5 |
03 | 173 | 18000 | 2.9 | 48 | 35 | 93 | 8.4 | 29 | 160 | 102 | ±2.4 | 2° | 0.6 |
04 | 245 | 15000 | 4.7 | 80 | 42 | 104 | 11.2 | 34 | 195 | 127 | ±2.8 | 2° | 0.7 |
05 | 420 | 13000 | 7.1 | 224 | 50 | 126 | 11.7 | 42 | 211 | 127 | ±3.2 | 1°30′ | 0.7 |
06 | 772 | 12000 | 10.8 | 440 | 60 | 143 | 11.7 | 48 | 223 | 127 | ±3.6 | 1°30′ | 0.8 |
07 | 1270 | 10000 | 16.3 | 1080 | 75 | 168 | 16.8 | 58 | 243 | 127 | ±4.0 | 1°30′ | 0.8 |
08 | 2080 | 10000 | 24.7 | 2080 | 82 | 194 | 17.0 | 64 | 268 | 140 | ±4.4 | 1°30′ | 0.9 |
09 | 3328 | 9000 | 32.5 | 3520 | 95 | 214 | 21.6 | 77 | 306 | 152 | ±4.8 | 1°30′ | 0.9 |
10 | 4900 | 8000 | 50.0 | 7200 | 108 | 246 | 23.9 | 89 | 356 | 178 | ±5.2 | 1°30′ | 1.0 |
11 | 6368 | 8000 | 75.0 | 12800 | 118 | 276 | 27.2 | 102 | 382 | 178 | ±5.6 | 1°30′ | 1.2 |
12 | 8900 | 6300 | 72.2 | 18000 | 110 | 276 | 17.5 | 128 | 409 | 153 | ±3.6 | 1° | 1.2 |
13 | 15280 | 5000 | 12.0 | 37000 | 135 | 308 | 19.0 | 160 | 492 | 172 | ±4.0 | 1° | 1.2 |
14 | 25410 | 4700 | 175 | 68000 | 155 | 346 | 21.5 | 182 | 554 | 190 | ±4.0 | 1° | 1.2 |
15 | 37130 | 4300 | 234 | 108000 | 165 | 375 | 24.0 | 198 | 620 | 224 | ±4.0 | 1° | 1.3 |
16 | 47120 | 3900 | 306 | 167000 | 180 | 410 | 29.5 | 214 | 682 | 254 | ±4.4 | 1° | 1.3 |
17 | 57000 | 3500 | 369 | 250000 | 190 | 445 | 29.5 | 225 | 720 | 270 | ±4.4 | 1° | 1.4 |
18 | 63186 | 3500 | 448 | 311000 | 205 | 470 | 31.0 | 248 | 770 | 274 | ±4.8 | 1° | 1.5 |
19 | 82590 | 3200 | 596 | 480000 | 230 | 512 | 32.0 | 278 | 843 | 287 | ±4.8 | 1° | 1.6 |
20 | 102100 | 2800 | 763 | 747000 | 255 | 556 | 32.5 | 305 | 902 | 292 | ±5.2 | 1° | 1.8 |
21 | 126070 | 2450 | 919 | 1016000 | 265 | 588 | 34.0 | 318 | 948 | 312 | ±5.4 | 1° | 1.8 |
22 | 146350 | 2150 | 1068 | 1386000 | 275 | 630 | 34.5 | 332 | 1008 | 344 | ±5.6 | 1° | 2.0 |
23 | 173830 | 2000 | 1235 | 1784000 | 290 | 655 | 35.5 | 348 | 1052 | 356 | ±6.0 | 1° | 2.0 |